YEC-GW-L 無線 LoRa 網關是一款高性能、低功耗的全雙工數據通訊物聯網工業級網關,為物聯網設備提供雙向無線通訊服務。網關可與測漏控制器、溫濕度傳感器及LoRa數據傳輸終端等物聯網設備一起組網,采集相關數據后通過4G、WIFI、RS485、以太網等通訊方式上傳至后端平臺,工作人員即可通過后端
平臺上查看每個物聯網設備上傳的數據,實現實時監控。
二.適用范圍
YEC-GW-L 適應于智能樓宇、地鐵車站、圖書館、博物館、倉庫等等。
三.功能特點
穩定可靠 | 無線 LoRa 網關全部采用工業級電子元器件,既能保證設備工作時的穩定性,還能減少各種外界因素所造成的干擾。采用電磁兼容設計,具有防浪涌、防靜電、EFT等保護功能。 |
遠程管理 |
支持遠程管理員登錄,實時監測檢修。 |
功能齊全 | 無線 LoRa 網關具有電源、通訊、運行等指示燈,可通過觀察界面指示燈的情況準確知曉網關的實時狀態。 |
簡潔易用 | 無線 LoRa 網關采用螺絲或卡扣安裝方式,所有的現場接線均可以通過接線端子來輕松完成。 |
防呆設計 |
無線 LoRa 網關電源接口防呆設計,接反不會燒毀設備。 |
多方式通訊 | 無線 LoRa 網關支持 4G、WIFI、RS485、以太網等通訊功能,可與多種監控系統相整合,提供實時的監測數據。 |
四.技術參數 |
| |
| 工作模式 | 全雙工 |
| 工作頻段 | 410.125MHz~493.125MHz |
| 通訊速率 | 292bps~5.4kbps |
LoRa特性 | 空中速率 | 2.4kbps |
| 最大發射功率 | 22dBm |
| 傳輸距離 | 5000m(空曠) |
| 終端連接設備 | 最大64臺 |
| 通訊方式 | RS485 |
| 通訊協議 | MODBUS-RTU |
RS485通訊 | 波特率 | 默認9600,可選2400~115200bit/s |
| 數據格式 | N-無校驗,8-數據位,1-停止位 |
| 地址設置 | 默認地址01,可設置 |
| 工作模式 | WIFI4 |
| 工作頻段 | 2412~2484MHz |
WIFI特性 | 通訊速率 通訊協議 | 2.4GHz 802.11a/b/g/n |
|
發射頻率 | 802.11g: 14±2 dBm (@54Mbps) ; 802.11n: 13±2 dBm (@MCS7) ; 802.11b: 17±2 dBm (@11Mbps); |
| 工作模式 | 4G全網通 |
4G特性 | 工作頻段 | 900/1800MHz |
| 上行/下行速率 | 最大85.6Kbps |
以太網 | 通信速率 通訊標準 | 10/100Mbps自適應 MODBUS-TCP |
環境額定值 | 工作溫度 工作濕度 | -40℃~80℃ 0%~95%RH(無冷凝) |
電源要求 | 供電電壓 功耗 | DC 9~30V寬電壓供電 <5W |
| 靜電 | 接觸放電±6KV,空氣放電±8KV |
EMC防護等級 | 浪涌 | ±4KV |
| EFT | ±4KV |
重 量 | 430.2g |
|
(單位:mm,誤差±0.5mm)

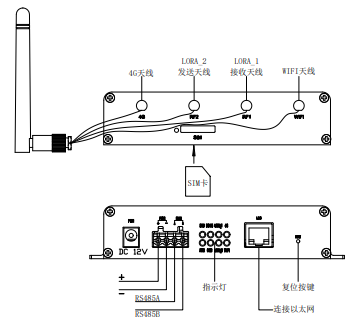
六.按鍵、指示燈與端口說明
圖 1 產品尺寸圖

序號 | 指示燈 | 說明 |
1 | PWR | 電源指示燈 |
2 | RUN | 運行指示燈 |
3 | RS485 | RS485通訊指示燈 |
4 | COM | 無 |
5 | LORA_1 | 接收數據指示燈 |
6 | LORA_2 | 發送數據指示燈 |
7 | WIFI | WIFI通訊指示燈 |
8 | 4G | 4G通訊指示燈 |
圖 2 按鍵、指示燈與端口說明圖
無線 LoRa 網關通過采集下行設備如無線 LoRa 測漏網關、無線 LoRa 傳輸終端(可連接各類 RS485信號輸出傳感器)上傳的數據,通過 RS485、4G 網絡、以太網及 WIFI 方式向上行設備傳輸數據,上傳至監控平臺,實現平臺在線監測各種傳感器的狀態情況。

圖 3 系統拓撲圖
八.安裝說明
網關安裝方式是通過產品底部的安裝槽進行安裝,可以通過螺絲固定或者卡扣固定,安裝位置盡量在比較空曠的地方,以保證通信信號的穩定接收和發送.。

圖 4 安裝示意圖



